産業用・計測用カメラ
MAR-300/MAR-500/MAR-960
MinicⅡ-AF/CLと組み合わせが可能なCameraLink出力可能の産業計測用カメラです。
観察、検査、計測用として、5種類よういしております。
観察、検査、計測用として、5種類よういしております。
- 約320万画素1CMOS
- 320万画素×3CMOS
- Cマウント
- Camera Link
製品の概要
-
弊社製オートフォーカスユニットMimicⅡ-AF/CLと組み合わせが可能なCameraLink出力。
観察、検査、計測用として、5機種用意。 -
320万画素 1/1.8型 1CMOSカラー/モノクロ 55fps
汎用的な産業計測用カメラ -
500万画素 2/3型 1CMOSカラー/モノクロ 35fps
高解像度、広視野撮影用カメラ -
320万画素x3RGB 1/1.8 3CMOSカラー 25fps
色再現性を重視した撮影用カメラ -
グローバルシャッター方式のため歪みの無い映像出力
-
PoCL MiniCameraLink出力のためカメラ電源アダプタが不要
仕様
|
MAR-300C/300B
|
MAR-500C/500B
|
MAR-960
|
|
|
撮像素子
|
1/1.8型CMOS
|
2/3型CMOS
|
1/1.8型3CMOS
|
|
読取方式
|
グローバルシャッター
|
グローバルシャッター
|
グローバルシャッター
|
|
カメラ方式
|
カラー/モノクロ
|
カラー/モノクロ
|
カラー
|
|
有効画素数
|
2046(H)×1536(V)
|
2448(H)×2048(V)
|
2064(H)×1544(V)×RGB
|
|
画素サイズ
|
約320万画素
|
約500万画素
|
約320万画素×3RGB
|
|
フレームレート
|
3.45(H)×3.45(V)μm
|
3.45(H)×3.45(V)μm
|
3.45(H)×3.45(V)μm
|
|
映像出力
|
55FPS
|
35FPS
|
25FPS
|
|
マウント
|
Mini Camera Link PoCL出力
|
Mini Camera Link PoCL出力
|
Mini Camera Link PoCL出力
|
|
映像出力フォーマット
|
8Bit
|
8Bit
|
RGB 32bit
|
|
カメラマウント
|
Cマウント
|
Cマウント
|
Cマウント
|
|
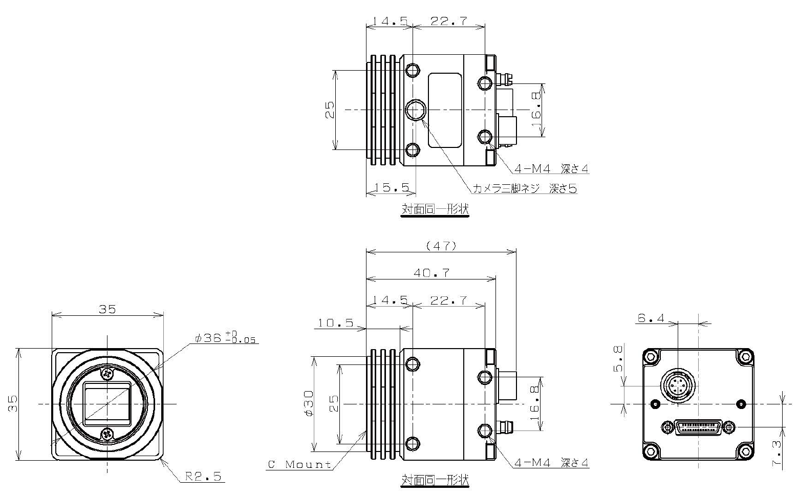
カメラ寸法
|
35(W)×35(H)×40.7(D)mm
|
35(W)×35(H)×40.7(D)mm
|
44(W)×44(H)×74(D)mm
|
|
カメラ重量
|
約69g
|
約69g
|
約170g
|
外形寸法図
MAR-300/500
MAR-960